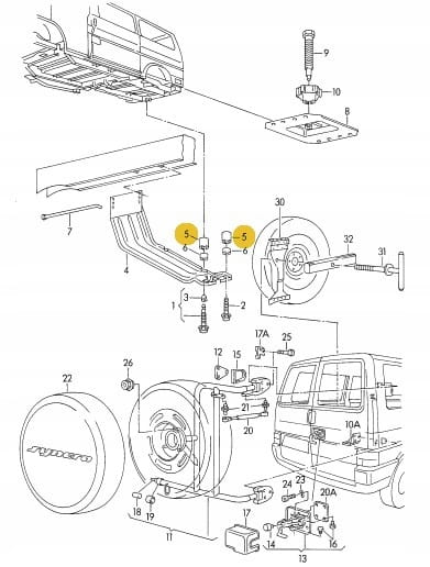
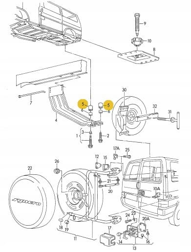
NOWA ORYGINALNA TULEJA KOŁA ZAPASOWEGO 701801913
towar niedostępny
Potrzebujesz więcej informacji?
Opis

NOWA ORYGINALNA TULEJA DYSTANSOWA DO MONTAŻU KOŁA ZAPASOWEGO
VW TANSORTER
Numer katalogowy: 701801913
UWAGA: W jednym modelu auta, mogą występować różne warianty części. W przypadku braku pewności o właściwy dobór części, zalecana jest weryfikacja wg numeru VIN,

Zastosownie:
VOLKSWAGEN CADDY
- 2011 - 2021 Volkswagen Caddy
VOLKSWAGEN CAMPMOBIL-T5
- 2007-2019 Volkswagen Campmobil-T5 T6
VOLKSWAGENA CARAVELLE
- 1998 - 2000 Volkswagen Caravelle Eurovan
VOLKSWAGEN EUROVAN
- 1992 - 2004 Volkswagen EuroVan
VOLKSWAGEN TRANSPORTER
- 1999 - 2019 Volkswagen Transporter
